Тогда нужно во всех подробностях рассматривать всю "систему". Слишком мало исходных данных: например у меня в гараже зимой в розетке 180 вольт, а летом 220, может у тебя похожая история. Я так понимаю двиг изначально неправильно эксплуатируется, поэтому удивляться нагреву не стоит.
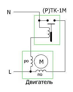
Начнём с малого: ты какой обмоткой его крутишь (пусковой или рабочей)? Измерь сопротивление обмоток, по идее та, у которой больше сопротивление - пусковая. В стиралке двиг запускается с помощью токового реле "РТК-1М 2,1А УХЛ4.2", которое при запуске отрубает пусковую обмотку по достижении определённой силы тока и двиг продолжает вращаться только на рабочей обмотке. В принципе можно обойтись и без реле, просто использовать кнопу без фиксации и после включения двигателя на несколько секунд (в интернетах пишут что, около 5 сек) подключить пусковую обмотку.
схемка с реле

Сообщение отредактировал Agio: 24 May 2016 - 00:03